ZTZ Software

Arduino Serial (2005)

Análisis en profundidad de la placa RS-232 original.

Antes del USB, antes del Arduino UNO y antes de la popularización masiva de la electrónica maker, existió el Arduino Serial. Diseñado en el Interaction Design Institute Ivrea, esta placa sentó las bases de todo el ecosistema actual. A continuación, desglosamos cada centímetro de su circuito.

Vista Superior Arduino Serial

Fig 1. Placa original Arduino Serial v2.0 (apariencia clásica).

1. Especificaciones Técnicas (Datasheet)

El corazón de esta placa es muy diferente a las modernas en cuanto a capacidad, aunque la arquitectura es familiar.

Componente Especificación
Microcontrolador ATmega8 (DIP-28)
Voltaje de Operación 5V
Voltaje de Entrada 9V - 12V (Recomendado) a través de Jack DC
Memoria Flash 8 KB (2 KB usados por el Bootloader antiguo)
SRAM 1 KB
EEPROM 512 Bytes
Velocidad de Reloj 16 MHz (Cristal de Cuarzo externo)
Interfaz PC Puerto Serial RS-232 (Conector DB9 Hembra)

2. Análisis del Pinout (Pines)

A diferencia de los modelos actuales que tienen etiquetas claras, el Arduino Serial original exponía los pines directamente del ATmega8. La distribución física era:

Foto pendiente: Conector DB9 [Espacio para imagen: Detalle del Puerto DB9 y Transistores]

Fig 2. El enorme conector DB9 que se usaba para programar.

3. Componentes Críticos y Curiosidades

El Circuito de Comunicación (Sin Chip FTDI)

Hoy en día usamos chips convertidores USB-Serial (como el CH340 o 16U2). El Arduino Serial no usaba chips complejos para esto. Utilizaba un circuito ingenioso con transistores BC547 o BC557 para adaptar los niveles de voltaje del puerto serie de la PC (+12V/-12V) a los 5V del microcontrolador. Era pura electrónica analógica aplicada a digital.

El "Ritual" del Reset

Esta es quizás la mayor diferencia de uso. En un Arduino moderno, al dar clic en "Subir" en el IDE, la placa se reinicia sola. En el Arduino Serial no existía el auto-reset. El proceso era:

  1. Escribir el código en la PC.
  2. Presionar "Upload" en el software.
  3. Rápidamente presionar el botón físico de Reset en la placa con el dedo.
  4. Si no lo hacías en el momento exacto, la subida fallaba.

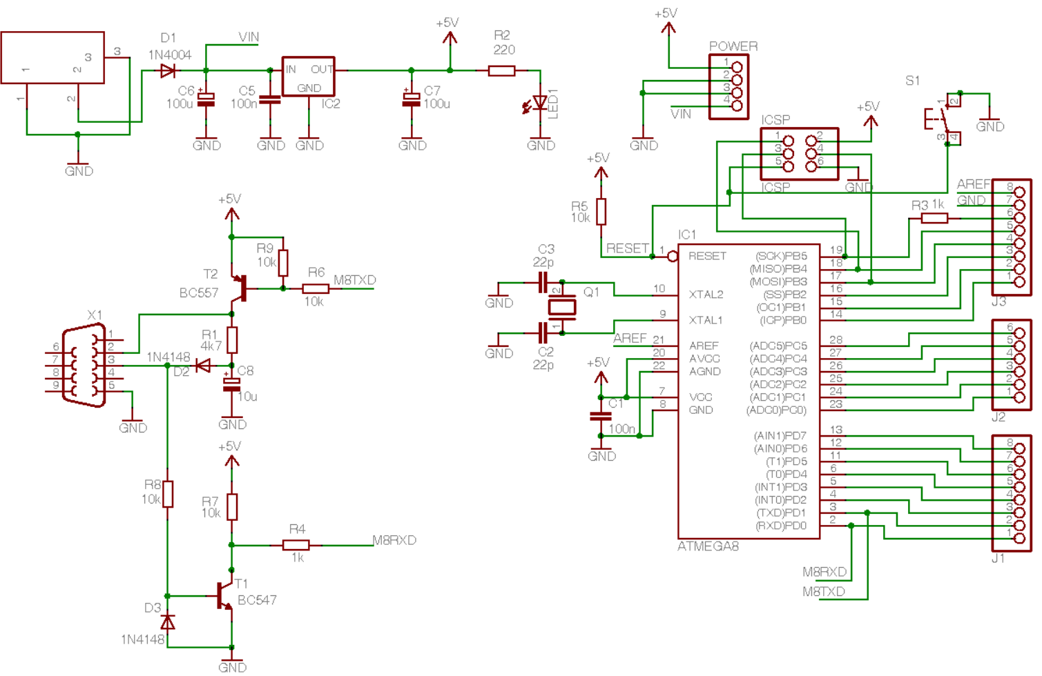
4. Diagrama Esquematizado

El diseño es Open Source. Aquí podemos ver cómo la fuente de poder usaba un regulador lineal 7805 grande, lo que generaba bastante calor si le ponías más de 12V.

Foto pendiente: Esquema eléctrico [Espacio para imagen: Diagrama del Circuito]

← Volver a la lista